网站首页
关于我们
产品展示
新闻中心
技术支持
公司形象
在线留言
联系我们
Previous
Next
1
2
3
气密型隔爆电连接器
|
真空气密封电连接器
|
防爆电连接器
|
无火花型防爆插头插座
|
矩形电连接器
|
大电流接插件
|
J30J微矩形电连接器
|
产品中心
新闻中心
—— 产品展示 ——
PRODUCTS CENTER
圆形电连接器
Y2圆形航空插头
Y27型推拉电连接器
Y50X密封航空插头
XC系列信号连接器
YMA型深水连接器
GJB598型航空插头
GJB599型航空接插件
企标类型电连接器
Y11P圆形航空插头
Y17圆形航空接插件
矩形航空插头
J7矩形航空插头
J14矩形航空插头
J24H矩形航空插头
J30J微矩形航空插头
J36矩形航空插头
J63矩形航空插头
J27A矩形电连接器
J29A矩形电连接器
J40微矩形接插件
新能源接插件
农电网配套接插件
大电流防水接插件
新能源汽车连接器
高频同轴连接器
滤波屏蔽连接器
特种系列连接器
真空气密封连接器
防爆电连接器
野战光钎连接器
网络传输连接器
大电流连接器
深水密封电连接器
射频同轴电连接器
SMA系列射频连接器
SMB系列射频连接器
TNC系列同轴连接器
BNC系列同轴接插件
L29系列高频连接器
SSMA系列射频插座
SSMB系列高频插头
新开发系列航空接插件
YGA多芯光纤连接器
RJ45/USB网口连接器
密封型防爆电连接器
24小时咨询热线
13376035730
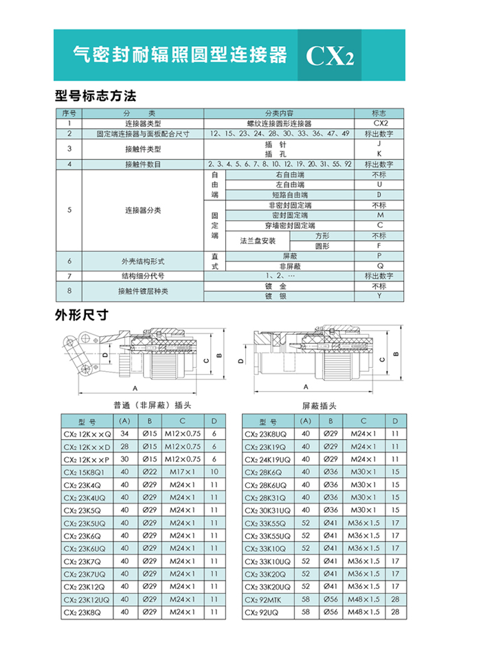
CX2-4芯30A真空密封插头座
供应天津CX2-4芯30A真空密封好看插头座
CX2-4芯30A
真空密封航空插头座
,接触件4芯,额定电流30A,耐压1200V,螺纹方式连接。防水,防尘,是传感器,热电偶常用产品。
上一页:
3芯20A真空密封接线端子
下一页:
镇江元二CX2-6芯10A真空密封电连接...
24小时咨询热线:
0523-87596268
xml地图
网站地图
联系我们
在线留言
公司形象
技术支持
新闻中心
产品展示
关于我们
首页
总经理:李经理 手机:13376035730 地址:江苏省泰兴市城北工业园区龙河路333号 座机:0523-87596268 传真:0523-87596268 邮箱:jshkdz@sina.com 微信:txzydq QQ:3259345270
© 2022 泰州市航空电子技术有限公司 版权所有 Keywords:
航空插头
、
大电流连接器
、
真空密封连接器
、
无火花型防爆插头插座
、
玻璃烧结密封航插
、
防爆电连接器
、
地图html
、
地图xml
我们营业的时间
9:00-18:00
客服01
客服02
产品中心
新闻中心
产品快速查找: